Forged Narrow Superlite 4R Front Brake Kit
Looking for the least expensive option for getting big brakes under your 911 or 912? Your search ends here! You're looking at a motorsports-proven Forged Narrow Superlite Radial mount calipers and oversize rotors engineered to give your 1969-89 Porsche 911 (or 912/912E) performance braking capability on par with the 930 turbo, using lightweight components and modern USA manufacturing techniques.
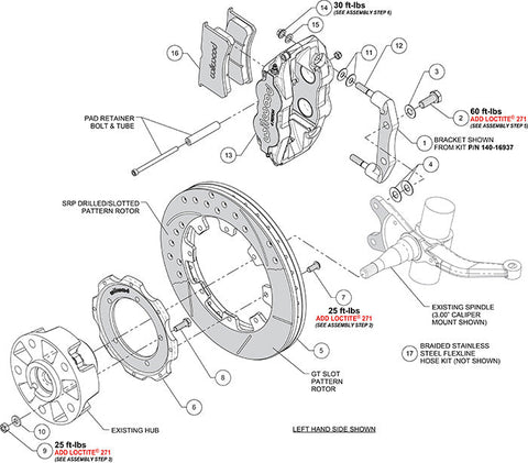
These kits combine Wilwood's latest Superlite four piston caliper, used in countless laps of many competition classes, with 12.19” (310mm) diameter GT slotted or SRP series drilled and slotted e-coat rotors, and the positive response, high fade resistance, and easy clean properties of the BP-10 compound Smart Pads. The forged aluminum calipers, mounting hats, and bracket outperform stock parts while weighing less. These kits bolt directly to front struts with 3.00” (76.2mm) spaced mounting tabs without modification.
You'll keep your struts and hubs and the kits does the rest. Even the braided stainless soft lines are included! You simply can't beat it...
*This kit is for 3.5" strut LWB vehicles. If you are uncertain which struts you have on your vehicle, watch the video below and get that education they didn't give you in college...
Product Details
| Kit Summary | |
|---|---|
| Spindle Type: | Factory Disc Spindle |
| Mount Type: | Radial |
| Caliper Type: | 4 - Piston Powder Coated |
| Rotor Diameter: | 12.19 |
| Min Wheel Diameter Req'd*: | 15 (these will not fit under comfort group 14's) |
| Calipers | |
|---|---|
| Left Hand - Part No: | 120-14056 |
| Right Hand - Part No: | 120-14056 |
| Type: | Forged Narrow Superlite 4R |
| Finish Color: | Red Powder Coat |
| Piston Count: | 4 |
| Piston 1 Bore (in): | 1.38 |
| Piston 2 Bore (in): | 1.38 |
| Piston Area (In²): | 3.00 |
| Piston Type: | Stainless |
| Mount Type: | Radial |
| Brake Pad Plate: | 7416 |
| Brake Pad Area (In²): | 8.2 |
| Brake Pad Volume (In³): | 3.8 |
| Pad Compound: | BP-10 |
| Rotors | |
|---|---|
| Left Hand - Part No: | 160-12205 |
| Right Hand - Part No: | 160-12204 |
| Type: | SRP Drilled Rotor |
| Style: | SRP Drilled & Slotted |
| Surface Finish: | Black Electro Coat |
| Material: | Iron |
| Outside Diameter (in): | 12.19 |
| Width (in): | 1.10 |
| Vane Count: | 32 V |
| Design Type: | SRP-BLK |
| Bedded: | No |
| Dynamically Balanced: |
Yes |
| Rotor Hats | |
|---|---|
| Hat - Part No: | 170-16936 |
| Type: | Big Brake Hat - Short Offset |
| Material: | Aluminum |
| Finish Color: | Black E-Coat |
| Hat Offset Dimension (in): | 0.272 |
| Bolt Circle 1: | 5 x 4.961 |
| Bolt Circle 2: | N/A |
| Bolt Circle 3: | N/A |
| Stud Diameter - BC 1: | 0.000 |
| Stud Diameter - BC 2: | 0.000 |
| Stud Diameter - BC 3: | 0.000 |